elektrický topný modul - T 6 /3x230

Kód: 11383
Neohodnoceno
ZDARMAZDARMA 10 190 Kč –25 %
ZGT obrázek
10 190 Kč –25 % 7 643 Kč 6 317 Kč bez DPH
Skladem (>10 ks)

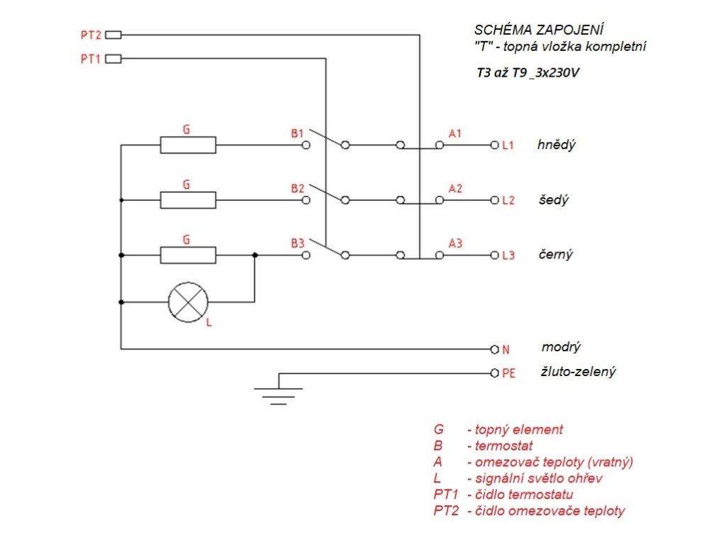
Topný modul T 6/3x230 je tvořen elektrickým topným tělesem s vestavěným termostatem k ohřevu vody v otevřených i uzavřených kovových nádržích, a to zejména v zásobnících teplé vody. Automatické spínání topného zařízení je řízeno nastavitelným termostatem, a v případě poškození termostatu je modul vybaven omezovačem teploty.

 

Detailní informace

Detailní popis produktu

Kompletní topná tělesa pro ohřívače vody s vestavěným termostatem a tepelnou pojistkou. Jsou nejlepším řešením při potřebě ohřevu většího množství vody. Topná tělesa jsou přizpůsobena ke spolupráci s externím řízením. Kvalitu práce a spolehlivost zajišťuje vestavěný třífázový termostat firmy COTHERM s možností nastavení spínání v oblasti 20-60 stupňů Celsia a obsahující integrovaný bezpečnostní omezovač teploty rozepínající při teplotě 90 stupňů Celsia.  Materiál trubky topného tělesa  Cu/Ni, Materiál  hlavy šroubení mosaz. Není galvanicky izolováno.

Doplňkové parametry

Kategorie: Topné moduly
Hmotnost: 2.6 kg
EAN: 8591565113837
Příkon: 3x 2000 W
Napětí: 3x230 V
Jištění: 3x 16 A

Diskuze

Buďte první, kdo napíše příspěvek k této položce.

Nevyplňujte toto pole:

Bezpečnostní kontrola